
发布时间:2017年01月18日
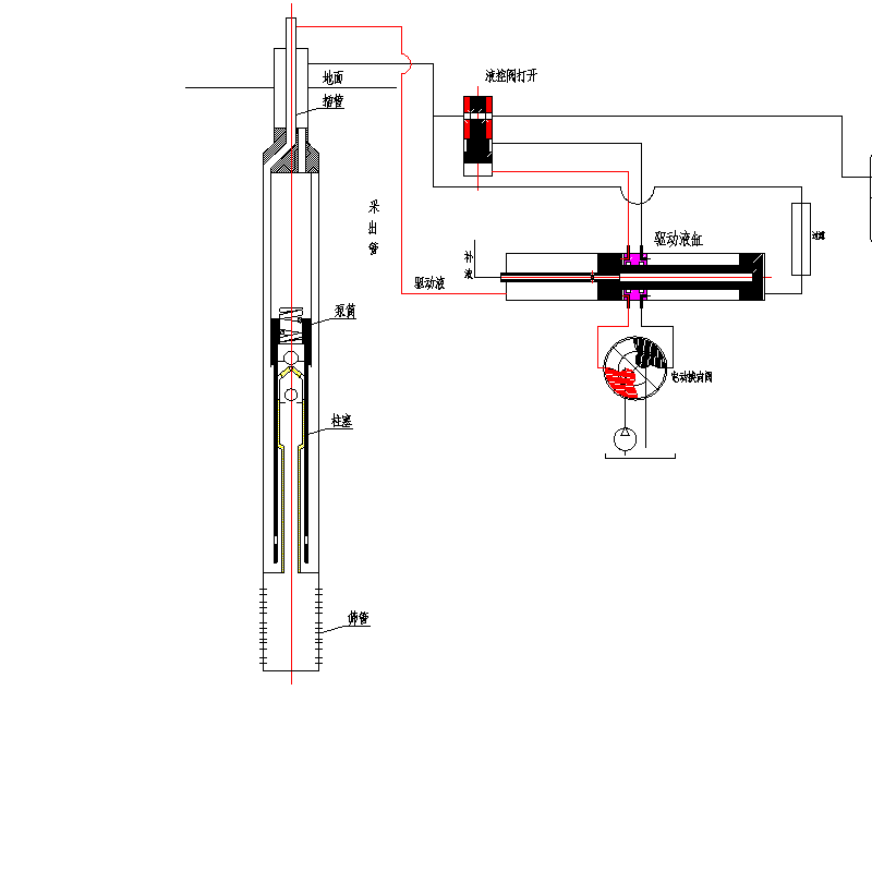
产品类型:YFWG型同心管水力无杆排采系统
产品特点:长冲程、低冲次
产品简介:适用于严重偏磨井,大斜度井,稠油井,水平井等复杂井况的排采,不需要抽油机和抽油杆,是一种新型的无杆采油系统。


长冲程:冲程4米(最长可到8米)
低冲次:双速电机定量泵
排量无级可调
每个冲程上止点,高压动力液进入泵腔内冲洗固定阀,增加携带煤粉能力。
空芯杆不运动,无杆管偏磨
无光杆密封器
无地面水泥基础
适用大斜度井或直接下入水平段
能耗低,易于远程控制
防止泵气锁(每个冲程上止点有高压液进入泵腔提高泵充满度)
可从空芯杆内注入洗井液,完成油管清洗
地面换向可靠,井内机组结构简单,运行寿命长




上一篇:
上一篇:公司简介
联系人:徐经理
徐正明
联系电话:13839269286
13849323330

华北樊71平7、71平8、71平9产品型号:YFWGSS57-38-4...

贵州六盘水GP井组产品型号:YFWGSS70-50-4 2台 &...

中石油华北油田Z2-053井应用无杆泵产品型号:YFWG-S-S-50-32-2.7井斜12°下泵深度780米理论排量6m³实测日产液4.9m³...

中石化广州山水新中2-1井 产品型号:YFWGSS-57-38-4井斜36°下泵深度960米实测日产液12m³...